Main PageQuick IdentificationFAQDisassemblyParts ExplosionFreeing JamsEarly ProductionBolos"1920" ReworksM-30 VariantsCarbinesSerial NumbersGripsSightsSafety VariantsShoulder StocksAmmunitionBibliographyLinksAstra 900 DisassemblyFilesThe Author
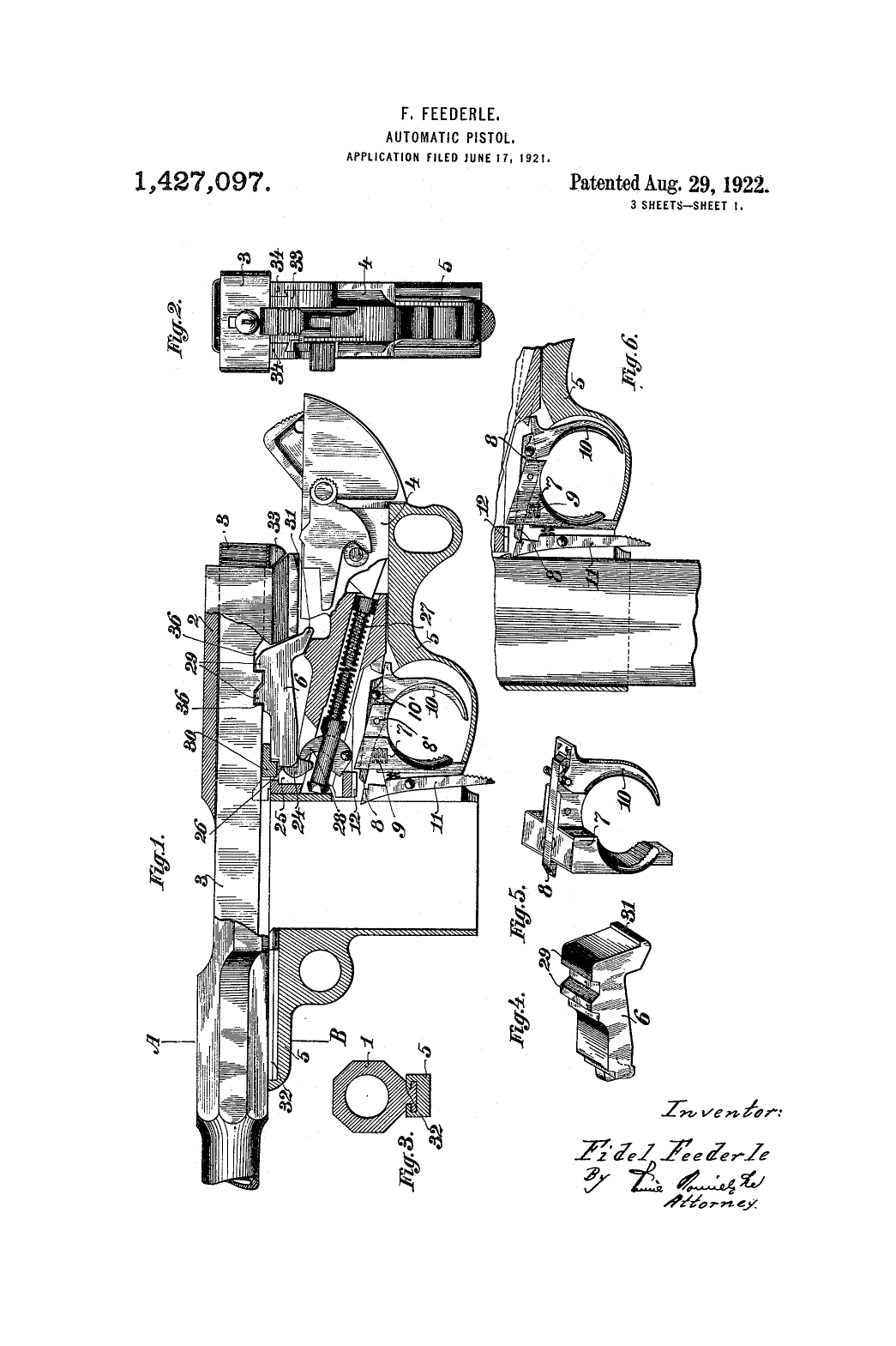
US Patent 1,427,097
"Automatic Pistol"
Fidel Feederle

August 29, 1922 (filed June 17, 1921)

page 1 page 2 page 3
page 4 page 5 page 6
page 7 page 8





HTML powered by